Цикл построения автоматизированных диспетчерских систем; управления шахтой состоит из элементов: объект — модель — алгоритм — программа — подземная станция управлений (ПК) — локальное управление объектом — магистральный канал — алгоритм — программа — ЭВМ — диспетчерское управление объектом. Этот цикл отражает основные этапы познания реализации таких систем на микропроцессорной технике.
Магистрально-модульная система, разрабатываемая на основе анализа различный характеристик (функций, объема передаваемой информации) АСУ ТП, предусматривает контроль работы и управление очистными забоями, подземным локомотивным транспортом, стационарными установками, конвейерным транспортом, проветриванием шахты, электроснабжением, отдельными параметрами шахтной атмосферы.
В результате анализа определены следующие обобщенные характеристические признаки объектов автоматизации.
1. Классификационный признак: производственные (технологические) объекты и процессы; экономические объекты и процессы; особенности средств производства; задачи, решаемые объектом и др.
2. Расположение средств отбора информации (датчиков) точек управляющего воздействия (пускателей, устройств сигнализации), группировка и расстояния между группами: сосредоточенные и рассредоточенные объекты; датчики для рассредоточенных объектов; пускатели для рассредоточенных объектов; рассредоточенные объекты с датчиками и пускателями, сгруппированными раздельно или совместно.
3. Структура управления — многоуровневая с возможным распределением функциональных задач по уровням иерархии;
4. Виды диспетчерского управления объектом: из пункта шахтного или участкового диспетчера, расположенного в шахте или на поверхности; с пульта оператора объекта.
5. Тип производства технологических средств в зависимости от повторяемости: единичное, мелкосерийное, серийное, крупносерийное, массовое.
6. Объем отбираемой, передаваемой, обрабатываемой и выдаваемой информации (значения переменных исходной модели), количество контролируемых элементов (датчиков); управляющих воздействий (пускателей); объем памяти; количество элементарных операций и аргументов в каждой из них; количество задержек; время уставки задержки; количество функций, осуществляемых элементарной операцией; количество элементарных операций в одной функции; количество и вид функций, связанных с данным аргументом.
7. Необходимее функции по управлению объектом: логические, примитивные, непримитивные, временные, алгебраические, арифметические, рекурсивные, теоретико-множительные, передача на расстояние сигналов телеизмерения, телесигнализации, телеуправления регулирования и сигналов между модулями (телемеханическая связь автоматов).
8. Виды взаимодействия с объектом управления: собственно управление, контроль, регулирование, оценка качества управления.
9. Виды ущерба при отказе аппаратуры управления в единицу времени: простои, переход на местное управление, работа без верхнего уровня иерархии, а также ложное срабатывание.
10. Алгоритм управления: число структурных формул (функций) в алгоритме; число частей, на которые можно расчленить алгоритм управления, исходя из координат точек отбора информации и мест воздействия устройств управления; число классов переменных в одной части алгоритма управления; число видов алгоритма управления (или части), в каждом из которых находятся изоморфные подвиды; число изоморфных подвидов в каждом виде алгоритма управления, находящихся в сосредоточенном пространстве; число групп с независимыми аргументами, на которые можно расчленить сосредоточенный алгоритм управления (или его часть); число групп элементарных операций алгоритма управления сосредоточенными объектами или его частей; допустимая электрическая мощность на реализацию алгоритма управления, исходя из условия искробезопасности, Вт; допустимое время для выполнения алгоритма управления (цикл обращения), с; частота появления контрольных воздействий; требуемая точность (погрешность измерения); частота перепрограммирования алгоритм управления, 1/ч; значение показателя эффективности каждого состояния алгоритма управления, руб./ч; время работы в сутки (год) системы с данным алгоритмом управления, ч; число управляющих воздействий в сутки, вырабатываемых алгоритмом управления.
11. Условия эксплуатации: температура окружающей среды, влажность, вибрация, газовая среда.

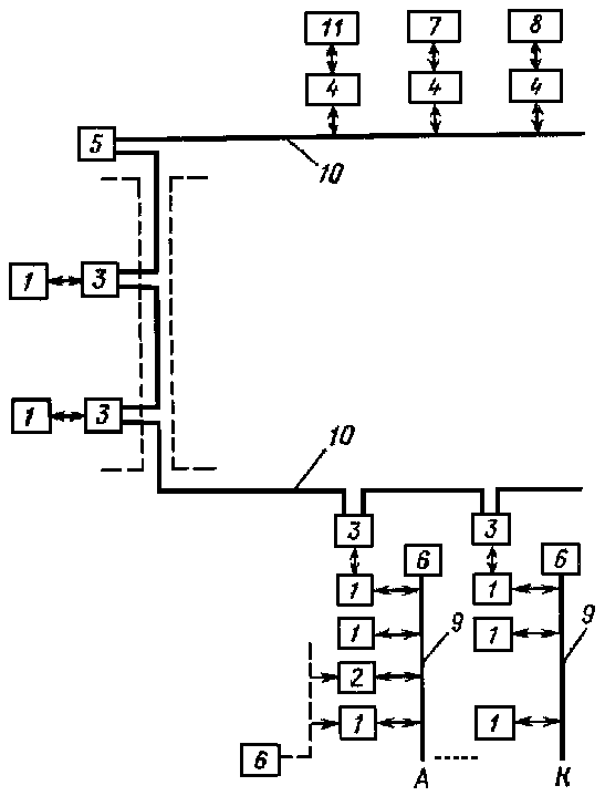
Рисунок 1 - Структурная схема магистрально-модульной системы для рассредоточенных объектов
12. Экономический эффект по объекту автоматизации при внедрении магистрально-модульной системы: снижение трудоемкости, экономии затрат за счет повышения производительности оборудования, сокращение расходов на электроэнергию и материалы, улучшение качества продукции.
13. Пространственное расположение объекта: координаты мест отбора информации и точек приема управляющих воздействий относительно диспетчерского пункта, расстояние от диспетчерского пункта да мест отбора информации (датчиков) и точек приложения управляющих воздействий (пускателей и т. д.), км.
Система для рассредоточенных объектов, удовлетворяющая вышеприведенным характеристическим признакам объектов автоматизации, построена на магистрально-модульном принципе (рис.1), т. е. система разработана на основе отдельных функционально-конструктивных модулей, связанных магистралью. Число модулей, подключаемых к магистральному каналу, равно восьми, предельное расстояние между модулями 0,3 км, максимальная длина оптоволоконного канала 2,4 км.
Магистраль — универсальная шина (данных ША, управления Шу, адресная Ша), соединяющая модули в рассредоточенном объекте. Модуль — функциональный элемент (устройство), имеющий законченное схемно-конструктивное оформление и средства сопряжения с аналогичными элементами. Используется принцип модульности, развиваемый на информационном, функциональном, программном и конструктивном уровнях, отвечающих требованиям унификации технических решений, надежности и живучести системы, обеспечения отказоустойчивости, контролепригодности и ремонтопригодности технических средств, взрывоискробезопасности.
Можно выделить следующие виды модулей: 1 — микропрограммный искробезопасный автомат-контроллер; 2 — микропроцессорный искробезопасный вычислитель; 3 — подземный приемопередатчик оптического сигнала; 4 — поверхностный приемопередатчик оптического сигнала; 5 — контроллер для распределения информации на поверхности шахты; 6 — искробезопасный источник питания.
Модуль 1 предусматривает: управление технологическими процессами на нижнем уровне (машины, агрегаты, процессы); телемеханическую передачу информации с уплотнением, например временным, через магистральный канал к другим модулям и к верхнему уровню производственной иерархии; техническую диагностику работы модуля; выполнение логических и временных функций при различных -способах кодирования. В древовидной иерархической структуре, в зависимости от места расположения, модуль 1 может выполнять функции ведущего (в начале магистральной системы), распределительного (в узловых точках разветвления), ведомого (в промежуточных точках магистральной системы), оконечного (в конце магистральной системы) модулей.
Модуль 2 осуществляет выполнение алгебраический и арифметических функций, законов регулирования, нормализации и масштабирования сигналов аналоговых датчиков на нижнем уровне.
Модуль 3 совместно с модулем 2 предназначен для преобразования электрических (дискретных, аналоговых и речевых) сигналов в уплотненный во времени световой сигнал и передачи его к модулю 4, который, преобразовав его в электрический с помощью устройства 6, передает в модуль 1.
Модули 4 и 5 обеспечивают перераспределение информации между потребителями: ЭВМ (11) пультами управления 7, терминальными устройствами 8 руководства и участками шахты.
На рис.1 несколько магистральных подсистем А...К с проводным каналом связи 9 сопрягаются с одной магистральной подсистемой (горизонт шахты, ствол, диспетчерский пункт на поверхности) с оптико-волоконным магистральным каналом 10. Ставится задача по сопряжению всех подсистем А...К в единую систему, которая должна рассматриваться с единых системных позиций отбора и обработки информации на уровне работы машин, участкового диспетчера, передачи на расстояние и последующей обработки с помощью микропроцессоров и ЭВМ на уровне диспетчера и руководства шахты.
Выбор структуры и технических средств магистрально-модульной системы является сложной задачей, так как она характеризуется многофункциональностью и специализацией, интеграцией и дифференциацией функций.
В идеальном случае каждому реализуемому алгоритму соответствует определенная оптимальная структурная схема. Исходя из этого, оптимизация такой систему, предусматривающая совершенствование элементов модуля и элементов магистрали, будет обусловлена: способами ввода сигналов от датчиков к модулю и вывода сигналов от модуля к средствам управления, представления информации, а также на магистральную шину; оптимизацией параметров интерфейса; децентрализацией функций; способами обработки информации во времени; однотипностью (повторяемостью.) объекта; требованиями надежности и ремонтопригодности; характеристиками технических средств.
Объем отбираемой, обрабатываемой и передаваемой информации, в совокупности с особенностями территориального расположения мест отбора информации и точек приема управляющих воздействий существенно влияет на объем модуля и децентрализацию функций в системе.
Децентрализация функций управления дает возможность обеспечить необходимую живучесть, так как каждый модуль обрабатывает небольшой объем информации и во время ремонта (при отказе) оператор может перейти на местное управление.
Децентрализация функций позволяет сократить расходы на кабель, предназначенный для подключения рассредоточенных исполнительных механизмов и устройств сигнализации, а также уменьшить объем модулей при подключении приемников, находящихся в непосредственной близости от модуля. При этом возникают задачи, связанные с оптимальным выбором: количества частей, на которые целесообразно расчленить алгоритм управления, исходя из координат точек отбора информации и мест приема управляющих воздействий; способов декомпозиции полупостоянного запоминающего устройства ППЗУ (на каждый модуль свое ППЗУ, одно ППЗУ на все модули, ППЗУ на часть модулей); способов перепрограммирования ППЗУ на режим управления (местный, дистанционный, телемеханический); размещения модулей по уровням иерархии; количества модулей для конкретного технологического процесса; методов распределения функциональных задач (частей алгоритма управления) по уровням иерархии.
Однотипность (повторяемость) объекта влияет на объем выпуска, модулей и количество элементов конкретной системы автоматизации.
В связи с изложенным возникают задачи выбора: оптимальной емкости типового элемента замены (ТЭЗ); емкости модуля, составленного из ТЭЗ; количества основных и производных типоразмеров параметрического ряда модулей; соотношений аппаратной и программной частей модуля; способов сочетаний в структуре модуля объектной, системной и проблемной ориентации.
Требования, предъявляемые к надежности и ремонтопригодности системам, предусматривают решение задач оптимального выбора первичных элементов в модуле, количества встроенных устройств контроля для исключения возникновения ложного сигнала управления и сокращения времени на поиск неисправностей, соединительных устройств модуля с магистралью и типовых элементов замены.
Решение вопросов искробезопасности системы независимо от количества подключенных модулей характеризуется следующим: автономная искробезопасность автомата за счет гальванической и электрической развязки модуля от внешних цепей (датчиков, пускателей) и магистральных шин; программно-импульсное подключение цепей от выхода датчика к входу модуля в момент, когда решается элементарная операция с участием этого датчика; раздельное искробезопасное питание модулей и магистральных шин; ограничение количества модулей, подключенных к магистральным шинам, с учетом мощности искробезопасного источника питания, длины и сечения магистральных шин; определение начала короткого замыкания в магистрали; отключение источника от магистрали в момент короткого замыкания; подача в магистральный канал импульсов обратной полярности, компенсирующих энергию в кабеле магистрального канала.
Алгоритм управления технологическим процессом может выполняться программой, реализуемой посредством монтажа или записи ее в памяти. Управление на основе монтажа осуществляется по программе с помощью аппаратных средств, управление по программе, записанной в памяти, — с помощью программных средств. Поскольку отдельные функций системы могут быть выполнены как аппаратными, так и программными средствами, то установление оптимальных способов управления является одной из задач проектирования систем с возможностью расширения функций (наращиваний мощностей).
Мощность отдельных частей магистрально-модульной системы характеризуется следующими факторами: структурной сложностью (числом уровней иерархии до 4); информационной мощностью (числом контролируемых параметров — 1920 датчиков); регулирующей, мощностью (числом управляемых выходов, устройств представления информации — 1920); числом подключенных к магистральной шине модулей — 30. Приведенные, численные значения приняты в экспериментальном варианте системы.
Наращивание мощностей осуществляется посредством введения в модуль аппаратурной избыточности, аппаратной перестройки структуры и программной реализации модуля в соответствии с алгоритмом функционирования.
Аппаратурная избыточность характеризуется: количеством слов, заложенных в ППЗУ каждого модуля и элементов (счетчик, программируемая логическая матрица), осуществляющих передачу информации в магистральный канал в различных циклах.
Аппаратная перестройка структуры модуля реализуется: наличием единой рассредоточенной магистрали для передачи всех видов информации; подключением к магистрали нужного количества модулей по объему и номенклатуре в любой точке трассы без увеличения жильности магистрального канала; групповым подключением датчиков на вход модуля; групповым подключением выходных устройств к выходу модуля.
Возможности модуля по программной реализации предусматривают: выполнение модулем при соответствующей программе функций контроллера по связи с магистралью; программирование модуля на выполнение задачи управления производственным процессом на низшем уровне иерархии (машины, агрегаты, процессы); телемеханическую передачу информации с временным уплотнением через магистральный канал к другим модулям и верхнему уровню производственной иерархии; изменение количества реализуемых логических операций, разрядности входного слова, скорости обработки информации, повышение надежности функционирования отдельных устройств.
Рассмотренная система предусматривает не только расширение функций, но и аппаратурную реализацию с учетом специфики объекта автоматизации. Ограничениями являются время передачи и обработки информации, максимальное количество модулей, подключенных к магистрали, максимальная длина магистрального канала.
Множество функциональных структур магистрально-модульной системы можно оценить с помощью критерия эффективности управления Э. С учетом различных технических средств систем
,
 — сложность реализации алгоритма управления техническими средствами.
Для различных типов технических средств (элементов) системы
,
Для каждого технического средства (элемента) сложность реализации можно представить как
,
Стоимостные и надежностные характеристики технических средств магистрально-модульной системы могут определяться посредством заполнения таблицы.
Эффективность исходной фирмы алгоритма управления определяется в соответствии с выражением:
.
Конкретные алгоритмы управления имеют различное количество контрольных воздействий (датчиков) с различным пространственным расположением точек отбора информации. Причем каждая функция содержит различное количество датчиков. С целью сокращения кабельных связей от датчиков к модулю, уменьшения числа входных элементов модуля возможно применение различных способов ввода сигналов датчиков в модуль с целью оптимизации числа входов и других элементов модулей:
разделение сигналов при передаче их от датчиков к модулю; линейное (многопроводное), временное, частотное, комбинированное;
виды импульсов передачи сигнала от датчиков к модулю — импульсы различной: амплитуды АИМ, полярности ПИМ, длительности ВИМ, частоты заполнения ШИМ, фазы ФИМ, частоты ЧИМ;
передача сигналов от датчиков к входам модуля: параллельный, последовательный, параллельно-последовательный подвод сигналов от всех датчиков;
команды выбора с модуля адреса датчиков: нормальный двоичный код (последовательный, параллельный); единичный позиционный код; комбинаторный код по законам сочетаний, перестановок размещения;
ввод сигналов от датчиков (кнопок) в модули; от группа датчиков, от одного датчика.